在
开关电源领域,MOS 管凭借其低导通内阻和快速开关速度的显著优势,成为了组件之一,被广泛应用于各类电源设计当中。然而,要想充分发挥 MOS 管的卓越性能,合理设计其驱动电路是至关重要的环节。道合顺在此将详细介绍几种常用的 MOS 管驱动电路,助力工程师们依据具体应用场景挑选为合适的驱动方案,进而优化电源转换效率,降低能耗,提升系统的稳定性。无论是电源设计的初学者,还是经验丰富的设计人员,都能从这些实用技巧中获得宝贵的参考,进一步提升产品性能。


电源 IC 直接驱动是为简单的驱动方式。在采用这种驱动方式时,需要特别关注几个关键参数及其影响。首先,要查看电源 IC 手册中的驱动峰值电流,因为不同的芯片其驱动能力往往存在差异。其次,要了解 MOS 管的寄生电容,如电路图中的 C1、C2 的值。寄生电容越小越好,若 C1、C2 的值较大,MOS 管导通所需的能量就会增加。如果电源 IC 没有足够大的驱动峰值电流,那么管子的导通速度就会变慢,从而无法达到预期的效果。

当电源 IC 的驱动能力不足时,推挽驱动就成为了一种有效的解决方案。这种驱动电路的优势在于能够提升电流提供能力,迅速完成对栅极输入电容电荷的充电过程。虽然这种拓扑结构会增加导通所需的时间,但却能显著减少关断时间,使开关管能够快速开通,并且避免上升沿出现高频振荡。

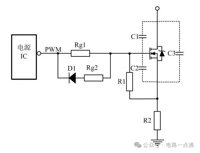
MOS 管通常具有慢开快关的特性。在关断瞬间,驱动电路需要提供一个尽可能低阻抗的通路,以便 MOSFET 栅源极间电容电压能够快速泄放,从而保证开关管能够快速关断。为了实现栅源极间电容电压的快速泄放,常常会在驱动电阻上并联一个电阻和一个
二极管,如图所示,其中 D1 一般采用快恢复二极管。这样做不仅可以减小关断时间,还能降低关断时的损耗。Rg2 的作用是防止关断时电流过大,避免将电源 IC 烧毁。

如上图所示的电路,是经过实际应用验证的,已经量产至少上万台,具有较高的可靠性,推荐使用。采用
三极管来泄放栅源极间电容电压是比较常见的做法。如果 Q1 的发射极没有电阻,当 PNP 三极管导通时,栅源极间电容会被短接,能够在短时间内将电荷放完,限度地减小关断时的交叉损耗。此外,这种方式还能使栅源极间电容上的电荷泄放时电流不经过电源 IC,从而提高了电路的可靠性。

为了满足高端 MOS 管的驱动需求,
变压器驱动是一种常用的选择。在这种驱动方式中,R1 的作用是抑制 PCB 板上寄生的电感与 C1 形成 LC 振荡,C1 则用于隔开直流,通过交流,同时还能防止磁芯饱和。
正确选择和精心设计 MOS 管的驱动电路,不仅能够显著提高开关